Grúa bipedestación POWERLIFT UP I
Características
- Capacidad de carga 200 kg.(incluido el arnés)
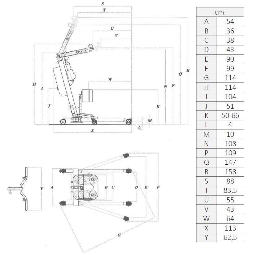
- Altura: mínima de 114 cm. máxima de 158 cm.
- Espacio para giro sobre sí misma (diámetro de giro): 114 cm
- Largo: 113 cm.
- Nivel de ruido <55 dBA
- Peso de la grúa sin carga: 40 Kg. Conjunto soporte: 15.5 kg. – Conjunto mástil/brazo: 16.3 kg. – Plataforma reposapiés: 5 kg. Reposadillas 3.2 kg.
- Fuerzas de accionamiento: Dedo: <5 N - Mano/brazo: <105 N - Pie: <300 N
- Fácil de transportar y almacenar.
- Estructura de acero recubierta de Epoxy-poliéster.
- Mando con cable e imán
- Motor desmontable.
- Pantalla con nivel de batería
- Pantalla LCD con indicador de batería
- Alarma sonora / luminosa de nivel de batería.
- Sistema de control con botón de parada de emergencia
- Control de la grúa desde la caja de control
- Consulta del número de cargas a través de la conexión USB
- Brazo regulable en cinco alturas
- Diseño de mástil que impide la entrada de líquidos en el interior de la grúa, alargando su durabilidad.
- Las partes electrónicas cumplen con los estándares UNE-EN +34 670953546 y UNE-EN +34 670953546-2.
- Grado de protección de las partes eléctricas IP X4 mínimo.
- Arnés incluido.


